服务热线
400-820-2021
圆锥破碎机首要采用稀油循环的光滑方法,其光滑的部位首要是球面轴承、主轴轴承、偏疼套轴承、圆锥齿轮和传动轴等处。圆锥破碎机产生的光滑不良现象,大多集中在首要受力部位上如主轴轴承、偏疼套轴承及球面轴承等。

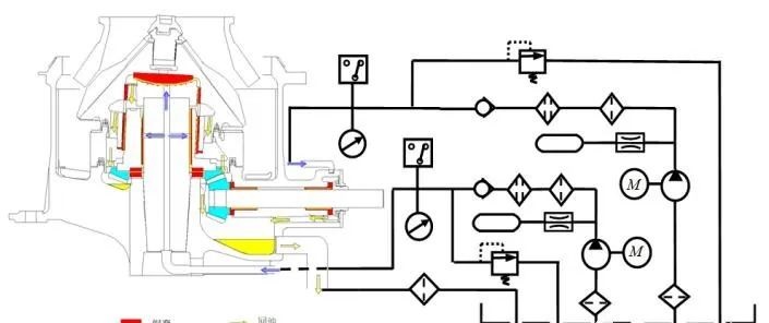
圆锥破碎机的润滑系统主要由润滑油流道、摩擦副、油箱、电动机、油泵、过滤器、安全阀、蓄能器、压力表、压力开关及通气装置等组成,如图所示。

润滑系统示意图
从上图中可以看到,圆锥破碎机的润滑线路有两条:
第一条线路是润滑油从油箱流出后经过主轴下部的轴孔分别对主轴轴承、偏心套轴承和球面轴承等摩擦副进行润滑,完成润滑后在压力和重力的作用下,从各个摩擦副下端流出的润滑油分别对推力轴承和圆锥齿轮摩擦副进行润滑,最后,润滑油经过下端回油孔回到油箱中去;
另一条线路中,润滑油经过机架上的进油孔后对水平传动轴进行润滑,润滑结束后通过其下端出油孔回到油箱。
从圆锥破碎机的结构和润滑油流动线路中可以看出,它润滑部位主要包括:
1.圆锥破碎机球面轴承
球面轴承的主要功能是承受动锥传递的轴向破碎载荷和水平载荷,约束动锥绕球面瓦的球心旋转及摆动。
通过对球面轴承的润滑,可以降低动锥和主轴之间的摩擦,提高动锥运动的稳定性,降低相对运动表面的材料磨损,从而使动锥更加可靠的工作。
2.圆锥破碎机限位轴承
限位轴承在动锥内部腔体和球面瓦座之间,该轴承的主要功能是在空载状态下限制动锥偏摆的幅度,该轴承并不是连续工作,而是偶尔在动锥位置偏差过大时才工作,因此所需润滑油流量较小。
3.圆锥破碎机主轴轴承
主轴轴承是指偏心铜套内表面和主轴外柱面构成的径向滑动轴承,轴颈为破碎机主轴,颚式破碎机,轴承为偏心铜套。
该轴承中主轴静止不动,偏心铜套在小齿轮的驱动下以主轴为中心旋转。主轴轴承的作用主要是确定偏心套的旋转轴线,承受偏心套驱动动锥套破碎矿料时产生的反力。
由于轴承表面载荷大,运动速度高,因此需要对铜套和主轴表面进行润滑。
4.圆锥破碎机偏心套轴承
偏心套轴承本质上也是一个径向滑动轴承,其轴颈是圆锥破碎机的偏心套,轴承为动锥内铜套,偏心套轴承的运动特点是轴颈和轴承都在旋转,该轴承的作用是推动动锥摆动,完成矿料的破碎。
轴承承受的载荷则是破碎力的平衡载荷,该力是破碎载荷的主要分量,由于该轴承具有较大的载荷和较高的旋转速度,因此需要进行良好润滑。
5.圆锥破碎机推力轴承
推力轴承是偏心套的下端面和机架之间的端面轴承,主要功能是承受偏心套及大齿轮上的轴向力,并保证偏心套和大齿轮的轴向位置。由于偏心套旋转的驱动力是由与其固连的大齿轮提供,因此保证偏心套及大齿轮正常旋转对破碎机的工作尤为重要,该轴承承受的载荷并不很大,但是线速度较高。
6.圆锥齿轮副
大齿轮和小齿轮通过啮合传动,带动偏心套运转,实现矿料的连续破碎。该齿轮副的啮合传动工作环境恶劣,载荷大,具有很大的冲击及振动,但线速度不是很高,属于低速重载传动,需要良好的润滑。
7.圆锥破碎机水平轴承
水平轴是小齿轮支承轴,相对来说,其转速高,载荷较大。水平轴由两个径向滑动轴承和单向推力轴承支承组成,承受齿轮啮合载荷,此处有两个径向轴承和推力轴承需要润滑。
圆锥破碎机中摩擦副润滑不良的产生受到载荷大小、转速高低、加工精度和工作环境等多种因素的影响,但最主要的制约因素是润滑油的压力和流量分配。圆锥破碎机关键润滑部位的油量分配主要靠主轴润滑流道的管径大小和形状来控制,其油路管径便不可调节,所以要选择可靠的厂家及高质量的设备,另外需要做好日常的维护保养工作非要重要。
编辑整理:买球比较靠谱机械设备(平台所发内容以传播行业知识为目的,文中涉及内容归原作者所有,如有侵权或不当之处,烦请联系小编删除或改正,不胜感激。)公司邮箱:info@pmpsj.com
建筑用砂含泥量过高影响混凝土性能!用这3个方法,有效降低65%的
年产150万吨机制砂生产线配置方案
破碎机定期维护保养维护指南
买球比较靠谱的网站2020年元旦放假通知
圆锥破碎机油温升高原因及解决方法
破碎机事业部销售技巧的分享
砂石矿山、采石场边坡稳定性治理6个方法及生态修复的4个措施
振动给料机动画视频
皮带输送机的5种驱动装置结构及优缺点对比
【买球比较靠谱】机制砂的优缺点及其在混凝土和工程中
买球比较靠谱高端智能破碎设备宣传片
振动给料机堵料原因及解决方法
江苏破碎机厂家-买球比较靠谱发湖南郴州设备回顾
砂子不够进口来凑?错了!机制砂才是未来!
反击式破碎机工作原理动画
公司地址
江苏启东滨海工业园汇海路1号联系电话
400-820-2021电子邮箱
info@pmpsj.com买球比较靠谱的网站(中国)股份有限公司 版权所有 备案号:苏ICP备19019478号-1

